欢迎来到无锡市新高汽车电机厂(无锡市新尔高电器有限公司)的官方网站!

产品展示
当前位置:首页>产品展示 >发电机
AVi2110 AVi2120B系列
AVi2110 AVi2120B 系列        代号:AVi147J系列
规格:28V 110/120A
适配:锡柴4113、玉柴YC6108ZQ、6112,东风康明斯,潍柴,上柴,朝柴等发动机;7-8.5m中型中豪华客车。



注:按型号更换皮带轮

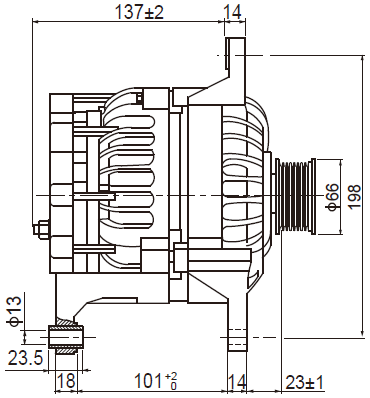
外形尺寸图


性能曲线图


上一页:CA1237IR
下一页:AVE2111UC系列 AVE2121UC系列
    

客户留言

联系我们

公司地址:无锡市惠山区洛社镇花明路1号
工厂地址:江苏省无锡市惠山区洛社镇花苑村
邮编:214161
网址:www.wxxingao.com

CopyRight © 2018 无锡市新高汽车电机厂(无锡市新尔高电器有限公司)(无锡市新尔高电器有限公司) 版权所有

苏ICP备05001709号-1 苏公网安备 32020602000457号