| AVi2120C系列 |
AVi2120C系列 代号:AVi147D系列
OEM:Bosch0124655118
规格:28V 120A
适配:玉柴、潍柴、进口等双电机并用发电机,10-12米空调客车
![]() ![]() 注:按型号更换皮带轮
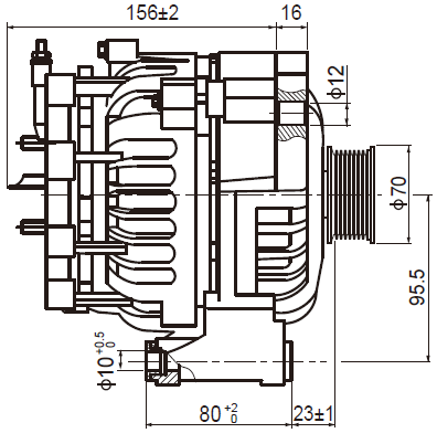
外形尺寸图
![]() 性能曲线图
![]() |
| 上一页:AVi2120A系列 下一页:AVi144A系列 |
![]() |
电话:0510-83313456
传真:0510-83300456
邮箱:sales@wxxingao.com
网址:www.wxxingao.com
地址:无锡市惠山区洛社镇花明路1号
| AVi2120C系列 |
AVi2120C系列 代号:AVi147D系列
OEM:Bosch0124655118
规格:28V 120A
适配:玉柴、潍柴、进口等双电机并用发电机,10-12米空调客车
![]() ![]() 注:按型号更换皮带轮
外形尺寸图
![]() 性能曲线图
![]() |
| 上一页:AVi2120A系列 下一页:AVi144A系列 |
![]() |
CopyRight © 2018 无锡市新高汽车电机厂(无锡市新尔高电器有限公司)(无锡市新尔高电器有限公司) 版权所有