| AVE2152系列 |
AVE2152系列 (无电瓶应用) 代号:8SC3110VC系列
规格:28V 150A
配套:上海加冷松芝汽车空调股份有限公司、苏州同创、上海凯希、扬州杰信、广州广湛等空调系统制造商;厦门大金龙、郑州宇通、苏州金龙、桂林大宇、安凯、福田、丹东黄海等豪华大巴。客车空调用电量≤120A,适用于独立式和非独立式客车空调系统
![]() ![]() 注:可选装皮带轮
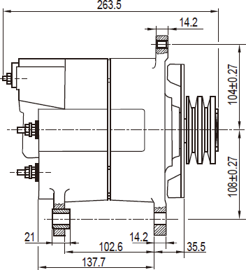
外形尺寸图
![]() 性能曲线图
![]() |
| 上一页:AVi2156系列 AVi2166系列 下一页:JFZ2112W系列 JFZ2122W系列 |
![]() |








苏公网安备 32020602000457号