| AVE2142系列 |
AVE2142系列 代号:AC172RA BOEM:Dennis658123
规格:28V 140A
适配:康明斯6CT、玉柴YC6112、6108等发动机;宇通、金龙XMQ6112、6115、福田、苏州金龙、安凯等豪华大巴;德国曼公司客车底盘,适用8.5-12m空调客车
![]() ![]() 注 1.可选装皮带轮
2.可加装导风管
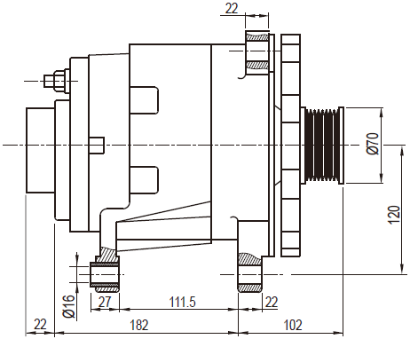
外形尺寸图
![]() 性能曲线图
![]() |
| 上一页:JFZ2140系列 下一页:AVE2142A系列 |
![]() |








苏公网安备 32020602000457号